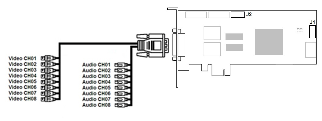
VRC7008L video capture card has a DVI pin. DVI /BNC interface cable is used for simultaneous connection of up to 8 cameras and 8 sound sources to external DVI pin of VRC7008L video capture card. DI/DO card is connected to the J1 pin. J2 pin corresponds to analog video out.
